| · 基于脈沖激光測距技術,連續恒定的光源 · 脈沖光能量值要高出1000倍,確保測量的穩定性和可靠性。同時結合納秒級窄脈沖技術,確保一類激光產品,對人眼安全 · 寬動態范圍回波信號處理技術, 精準探測量程內任意反射率和位置的物體,實現任意復雜和動態變化環境下的穩定性以及激光雷達產品之間的一致性 · 優選進口掃描電機,噪音低于30分貝,更穩定更安靜 · IP65級防護設計、專用溫漂誤差消除設計、專業EMC設計、專業 · 抗光干擾設計,適應更多復雜工業環境 · 窗口可拆卸設計,方便維護、降低維護成本 |
| ▊ | 產品規格 |
產品名稱 | 檢測半徑 | 檢測精度 | 掃描角度 | 輸出形式 |
NL201-1070P | 10m@70%反射率 | ±3cm@1sigma | 270° | PNP |
NL201-0670P | 6m@70%反射率 | ±3cm@1sigma | 270° | PNP |
NL201-0410N | 4m@10%反射率 | ±3cm@1sigma | 270° | NPN |
NL201-0210N | 2m@10%反射率 | ±3cm@1sigma | 270° | NPN |
安裝方式 | 水平安裝 | |||
配置 | DB9 轉接頭和USB 轉RS232 串口線 | |||
電源線 | 5M 贈送 | |||
編程線 | 贈送 | |||
說明 | ||||
激光掃描儀主體
| 落地安裝支架
| 電源線
| 編程線
|
| ▊ | 技術參數 |
光學特性 | |||
激光光源 | 波長905nm,一類激光產品 | ||
最大檢測范圍 | 半徑10m@70%反射率(白色物體) 半徑4m@10%反射率(黑色物體) | ||
掃描角度范圍 | 270° | 角度分辨率 | 0.5° |
測量誤差 | ±3cm | ||
電氣/機械參數 | |||
工作電壓 | DC9V~DC30V | ||
上電啟動時間 | 典型值8 | ||
功耗 | 3W(典型值) | ||
輸出 | OUTPUT1:防區1 檢測到障礙物時進入OFF 狀態 OUTPUT2:防區2 檢測到障礙物時進入OFF 狀態 OUTPUT3:防區3 檢測到障礙物/系統故障 (二選一,可配置)時進入OFF 狀態 | ||
外形尺寸 | 62mm×64mm×83m | ||
電纜長度 | 標配線長1m,最長≤30m | ||
環境特性 | |||
環境溫度 | 工作:-10℃~50℃(無結霜及凝霧) 存儲:-40℃~70℃ | ||
環境濕度 | 工作:35%RH~85%RH 存儲:35%RH~95%RH | ||
抗光干擾 | 15000Lux | ||
抗沖擊 | 加速度10g;脈沖持續時間:16ms; 碰撞次數:三軸,每軸1000±10 次 | ||
抗振動 | 頻率10Hz~55Hz;振幅:0.35±0.05mm; 掃描次數:三軸,每軸20 次 | ||
防護等級 | IP65 | ||
電磁兼容 性(EMC) | EMI | EN61326-1:2013 EN55011:2009+A1:2010 | |
EMS | EN61326-1:2013 EN61000-4-2:2009 EN61000-4-3:2006+A1:2008+A2:2010 EN61000-4-4:2004+A1:2010 EN61000-4-6:2009 EN61000-4-8:2010 EN61000-4-11:2004 | ||
可配置功能 | |||
防區配置 | 用戶可通過配置軟件,將LSE 防區配置為所需形狀 | ||
響應時間 | 可調(36ms/圈) | ||
區域組切換 | 4 組外部輸入信號(Z1、Z2、Z3、Z4)實現16 個區域組的切換,默認Z1、Z2、Z3、Z4 不接時區域組15 工作 | ||
工作模式 | NL200系列提供4 種工作模式,默認工作模式4 | ||
| ▊ | 技術參數 |
![]() | 標識 | 含義 | 描述 |
3 | 用戶配置的防區3 | 檢測到障礙物時OUTPUT3 進入OFF 狀態 | |
2 | 用戶配置的防區2 | 檢測到障礙物時OUTPUT2 進入OFF 狀態 | |
1 | 用戶配置的防區1 | 檢測到障礙物時OUTPUT1 進入OFF 狀態 | |
NL200系列 | 激光雷達 | 掃描角度270°,半徑10 米@70%反射率,半徑4 米@10%反射率 |
| ▊ | 產品尺寸圖 |
![]() |
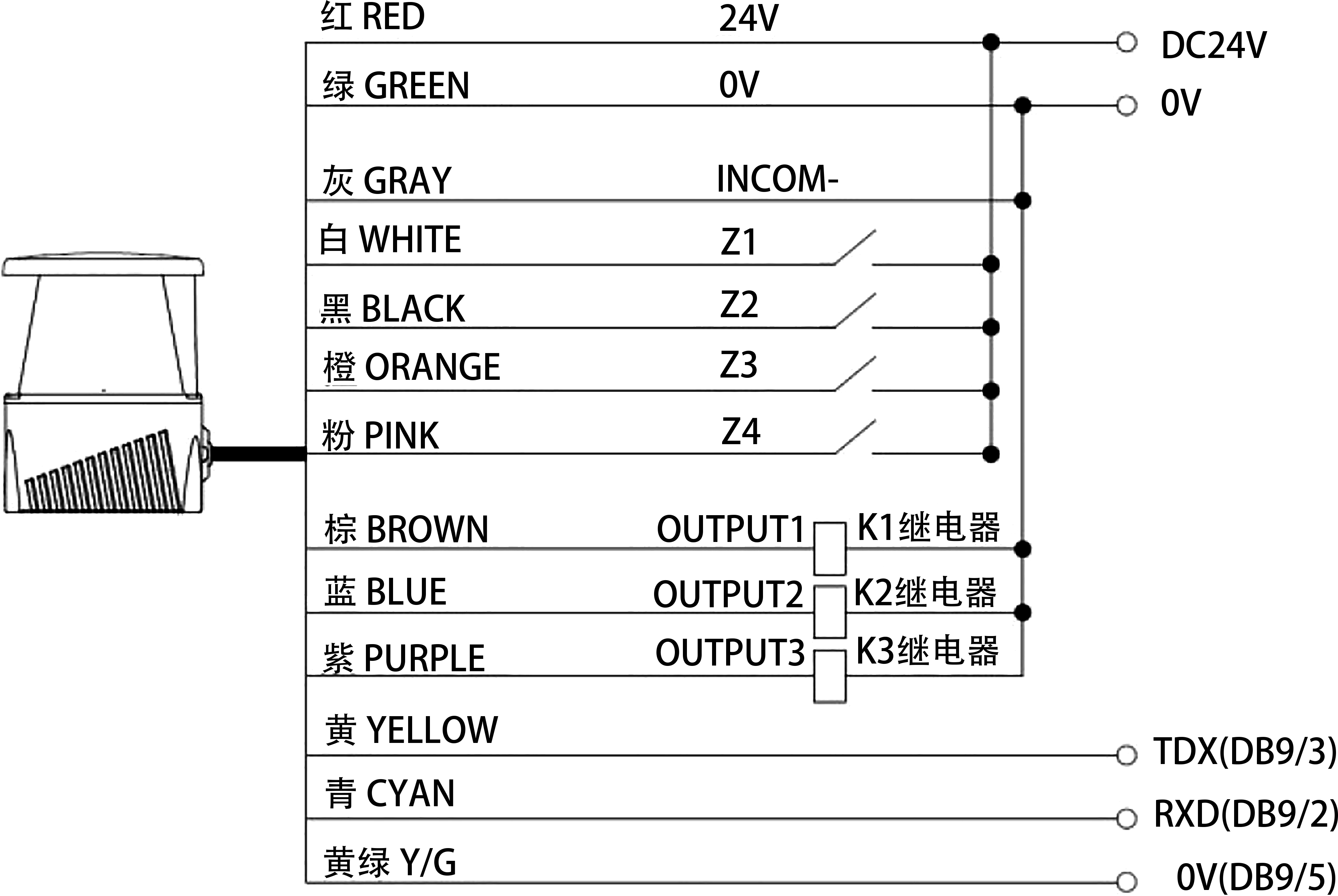
| ▊ | 接線圖 |
![]() | PNP 接線圖: 黃線是用戶TXD 端,雷達RXD 端; 青線是用戶RXD 端,雷達TXD 端 |
![]() | NPN 接線圖: 黃線是用戶TXD 端,雷達RXD 端; 青線是用戶RXD 端,雷達TXD 端 |
| ▊ | 安裝方式 |
![]() |
避障型 KLM 適用于移動機器人的避障和導航 ,典型應用為自動 導引運輸車(AGV)和有軌穿梭小車(RGV)。KLM 的保護對象必須符合以下條件:● 僅對侵入保護區域內的物體進行保護?!?KLM 無法檢測透明、半透明的物體。 ● 侵入保護區域內的物體的尺寸必須大于等于 KLM ......
· 基于脈沖激光測距技術,連續恒定的光源· 脈沖光能量值要高出1000倍,確保測量的穩定性和可靠性。同時結合納秒級窄脈沖技術,確保一類激光產品,對人眼安全· 寬動態范圍回波信號處理技術, 精準探測量程內任意反射率和位置的物體,實現任意復雜和動態變化環境下的穩定......
·脈沖激光雷達,外形62×64×84mm,方便用戶集成?!っ}沖TOF納秒級窄脈沖技術,測量穩定可靠,一類激光產品,對人眼安全。·掃描速度超快,1 秒可測量25000 次,單圈掃描時間40ms ?!すI級設計,穩定可靠:IP65、專用溫漂誤差消除設計、專業EMC 設計和嚴苛測試、環境光和沖擊......





Copyright ? 立宏安全設備工程(上海)有限公司 滬ICP備19034341號-1 技術支持:藍巨鯨品牌推廣